Imagine this scenario: you return to the car park to find that your car is missing. The sinking feeling hits you – it’s been stolen. Car theft is a pervasive problem, but advances such as the car kill switch offer a glimmer of hope in thwarting these criminals and protecting our vehicles.

What is Kill switch for car?
The operation of an automotive kill switch is relatively simple. When the switch is in the ‘off‘ or ‘kill‘ position, it cuts off the electrical or fuel supply to the engine, effectively preventing it from starting or running. This added layer of security can deter thieves as they won’t be able to bypass the switch without knowing its location and how to activate it.
Types of Kill switch for car
There are five primary types of kill switches commonly installed in vehicles:
- Fuel line shutoff valves
This kind of kill switch for cars prevent fuel from getting to the engine. Without a constant supply of fuel, a car’s engine cannot complete the combustion cycles necessary to maintain power and allow the car to continue in motion. - Car battery disconnect switches
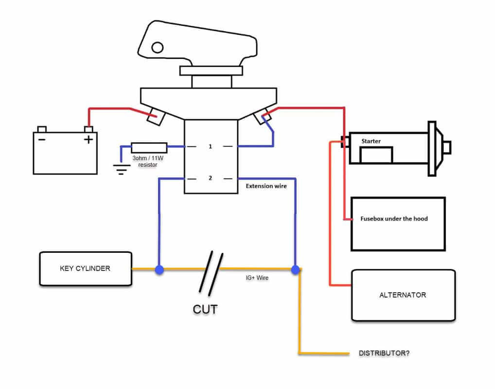
This kill switch works by unhooking the negative car lead and then connecting the kill switch to the negative battery terminal directly. - Remote control car battery switches
This kill switch employs a strong electromagnetic solenoid valve terminal that engages when the remote control is pressed. This solenoid flips the switch that either completes or disconnects the electrical circuit needed to send power from the battery to the engine. - Fuse box kill switches
These kind of kill switches kill power at the fuse box of the car instead of the battery. This can be a convenient option, depending on where exactly in your vehicle your fuse box is located. - Ignition wire kill switches
These kill switches work by putting a break in the ignition wire so the car will not start.
Where can i buy kill switch for my car?
You can have a kill switch installed in your car at most automotive electronics or car security specialist shops. These shops can be found by searching online or asking for recommendations from friends and family. It’s important to ensure that the shop you choose is reputable and has experience with installing kill switches to ensure the safety and security of your vehicle.
Also Read: How to remove smoke smell from any car!
What is cost for installing kill switch in car?
The cost of car kill switches actually depends on the type, brand and features you are looking for. At the lower end, manually operated kill switches can be found for around $10 to $30, such as simple battery disconnect switches on Amazon or other marketplaces. More advanced and remote-controlled kill switches with additional security features can cost from $50 to $150 or even more.







Leave a Reply